矿用显示控制箱KXJ127(A)

防爆控制柜,煤矿防爆控制柜,防爆PLC柜

KXJ127(A)矿用隔爆兼本安型显示控制箱


防爆控制箱技术参数

工作电压:AC127V/AC660V。
工作电流:≤1A。
本质安全型开关量输入信号:高低电平信号,低电平≤5V,高电平≥ 13V。
本质安全型模拟量输入信号:输入的电流信号4mA~20mA。
开关量输出:继电器无源节点输出。
网络通讯:传输速率:10/100 Mbps自适应;
信号工作电压峰峰值:1.0V~5.0V;
传输距离:≤100m;(使用CAT5、CAT6类网络双绞线)。
语音通讯:话音强度≥85 dB(A);
失真度≤15%。
本安参数:U0:DC18.5V, I0:1000mA ;b)C0:2.1μF, L0:0.1mH 。



防爆控制箱产品详细信息

产品关键词:矿用显示控制箱,隔爆显示控制箱

用途
KXJ127(A)矿用隔爆兼本安型显示控制箱(以下简称显示控制箱)主要安装于煤矿井下机电硐室、排水泵房、皮带机头、临时排水点等地点,连接在矿上以太网内,用于地面与井下进行图像传输、语音对讲。其逻辑动作可以通过软件编程来实现,是复杂的逻辑控制变得简单、易行。控制箱内部的输入输出设置有隔离电路,可靠的电气保护和安全保护,从而确保控制器的可靠运行和电气安全。
显示控制箱连接在能够上网的场合(不能上网的场合组成内网),能够与远程指挥端形成虚拟内网,方便对设备进行远程诊断、程序下载等工作。
显示控制箱执行标准GB/T 3836-2021、Q/ZMD026-2022。
环境条件
——温度: 0℃~40℃;
——平均相对湿度: ≤95%RH(+25℃);
——大气压力: 80kPa~106kPa;
——机械环境: 无显著振动和冲击的场合;
——适用于有瓦斯和煤尘爆炸的危险环境中;
——周围介质无腐蚀性气体。
产品分类
型式
矿用隔爆兼本质安全型“Ex db [ib Mb] I Mb”。
产品结构及原理
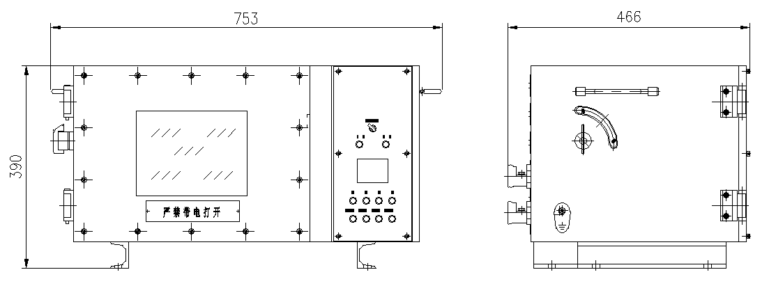
产品结构及外形尺寸
显示控制箱由本安电源、触摸屏、网络设备、外壳四大部分组成,其外部结构如图1所示。
永盛游戏厅
主要功能
具有与其它显示控制箱进行语音对讲。
具有与其它交换机连接,将语音数据、视频数据等通过网络传输。
具有采集模拟量信号和开关量信号功能。
具有继电器输出控制功能。
具有通讯功能。具有网络通讯与RS485两种通讯方式。
通过显示屏可以显示运行状态及参数。
具有将摄像仪监控的图像在显示屏上显示。
电气原理
显示控制箱内放置网络语音模块,语音模块通过网络实现与地面的语音模块的数据通讯;放置视频服务器,监控视频信号通过视频服务器实现地面的图像监控;放置VPN路由器,实现传输通道的物理连接。
显示控制箱内置西门子PLC,用于完成用户的输入输出要求,完成用户要求的各种输入输出逻辑动作。
显示控制箱内置鼠标板,可有效的解决了触摸屏在井下无法使用鼠标操作的难题,将触摸屏在井下的操作与在地面操作一样简单、方便。
永盛游戏厅
故障分析与排除
永盛游戏厅
维修注意事项
a) 在使用和维修过程中必须维持原设计的本质安全电路的电气参数和保护性能,更换本安电路及关联电路中的电气元件时,不得擅自改变电路的电气参数和本安性能,也不得改变本安电路和与本安电路有关的电气参数及元器件的电气参数、规格型号等,特殊部件应向厂家购买,更不得仿制。
b) 井下有瓦斯爆炸危险的场所检修本产品时,禁止用非防爆仪表进行测量或用电烙铁检修,检修时及时切断前级电源。
c) 在非危险场所安装的本产品的关联设备,检修时必须切断接到危险场所的本质安全型电路的接线。
d) 打开外壳维修时,不得用改锥或扁铲等工具插入隔爆面内硬撬硬撑,维修后要清理结合面,不要将煤尘或其他杂物残留在隔爆面上,盖好盖后,要用塞尺检查隔爆面间隙是否符合要求,发现问题及时调整。
e) 维修时打开隔爆结合面不得留下一根螺栓不拆下并以此为轴转动。
f) 长期停止运行或维修过程中,应将控制箱右侧上的电源开关断开。
g) 维修时不得改变本安电路和与本安电路有关的元、器件的电器参数、规格和型号。
h) 本产品不得随意与其它未经联检的设备连接。
i) 本产品未规定配接设备,在与其它设备连接时应经联检合格后方可连接。
j) 维修时注意防止“失爆”(注意保护紧固件和保护引入装置里的橡胶密封圈)。

运输和储存
产品包装木箱摞装层数不得大于二层。
搬运时避免摔碰和防雨淋。
必须贮存在干燥的房间内。
随机技术资料:产品合格证、使用说明书、装箱单各1份。
开箱及检查
开箱时,请注意轻拿轻放。
设备取出时,应注意检查在运输过程中,是否有破损的现象,主机机箱是否完好。
按照装箱单的内容检查产品及资料是否齐全。

订货和服务
订单上需注明产品名称、型号、数量及交发货日期。
订单上需注明收发货单位、联系人、通讯地址、托运方式及到站名称。


本网页内容用于宣传,不保证所有内容与实际产品相符,详情请咨询销售人员。



矿用防爆摄像机,防爆摄像仪,隔爆兼本安型小功率电机控制箱PLC控制箱,矿用流量传感器,矿用录像机,煤矿防爆显示器,本安型压力传感器井下视频监控系统防爆光端机,电动闸阀电动球阀防爆交换机防爆计算机,井下自动排水系统泵房无人值守系统皮带保护及集控系统,防爆电脑防爆计算机,防爆plc控制箱矿用水位传感器,矿用液位传感器 矿用小型plc箱超声波流量计流量传感器矿用电动球阀闸阀
执照 备案: 鲁ICP备11031547号-2 公安机关备案号:37010402000152